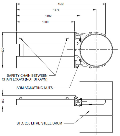
| Designed for standard 205 litre steel drums, the fully automatic clamping action enables safe and precise placement of drums without the operator having to leave the Drivers seat. The Support Arms are adjustable to ensure secure clamping. The drum is gripped by pushing the arms against the drum centre and driving forward with the Forklift.
The arms will engage around the drum and lock under the rolling hoop when raised. The heavier the load, the tighter the grip becomes. To release the drum, simply lower the drum onto ground level and reverse the Forklift.
|
|